Запасные части ЧТЗ Запасные части ЧТЗ
Мурманск
Например:
Актобе
Алдан
или
Выбрать автоматически
Актобе
Алдан
Алматы
Алчевск
Архангельск
Астана
Астрахань
Атырау
Баку
Балашиха
Барнаул
Белгород
Бердянск
Бишкек
Владивосток
Владикавказ
Воркута
Воронеж
Горловка
Грозный
Донецк
Екатеринбург
Иваново
Ижевск
Иркутск
Казань
Калининград
Каменск-Уральский
Караганда
Каховка
Кемерово
Киров
Комсомольск-на-Амуре
Костанай
Краснодар
Красноярск
Красный луч
Ленск
Луганск
Магадан
Магнитогорск
Макеевка
Махачкала
Мелитополь
Минск
Мирный (Якутия)
Москва
Мурманск
Нерюнгри
Нижневартовск
Нижний Новгород
Нижний Тагил
Новая каховка
Новокузнецк
Новосибирск
Новый Уренгой
Норильск
Ноябрьск
Нур-Султан
Омск
Оренбург
Ош
Павлодар
Пермь
Петрозаводск
Петропавловск
Петропавловск-Камчатский
Псков
Ростов-на-Дону
Салехард
Самара
Санкт-Петербург
Саратов
Севастополь
Семей
Симферополь
Сочи
Ставрополь
Сургут
Сыктывкар
Тараз
Ташкент
Токмак
Томск
Тында
Тюмень
Ульяновск
Усинск
Усть-Каменогорск
Уфа
Хабаровск
Ханты-Мансийск
Херсон
Челябинск
Чита
Шымкент
Экибастуз
Энергодар
Южно-Сахалинск
Якутск
Ваш город
Мурманск
Войти
Запасные части к тракторам на одном сайте
+7 (932) 303-00-10
+7 (932) 303-00-10
г. Мурманск, ул. Домостроительная, д. 16, к. 1
Пн-Пт: 9:30-18:30 Cб-Вс: Выходной
Отправить заявку


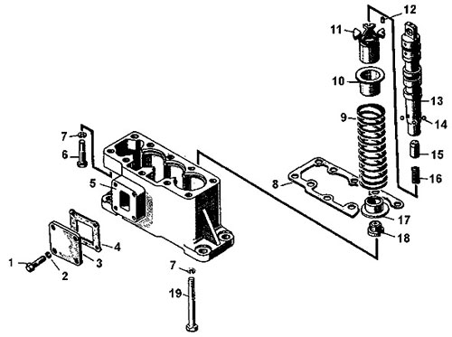
Крышка нижняя с деталями и золотник на Т-170


/
с НДС 20%
Описание
Крышка нижняя с деталями и золотник Т-170
Поз. Номер по каталогу Наименование детали
1 М8-6gх16.58.019 Болт
2 8 65Г 05 Шайба
3 50-26-751 Крышка
3 Р150-026 Крышка
4 700-40-8295 Прокладка
4 Р150-030 Прокладка
5 50-26-748 Крышка нижняя
5 Р150-023 Крышка нижняя
6 М10-6gх45.58.019 Болт
7 10 65Г 05 Шайба
8 700-40-8298 Прокладка
8 Р150-039 Прокладка
9 38423 Пружина золотника
9 Р150-035 Пружина золотника
10 50-26-755 Стакан верхний
10 Р150-034 Стакан верхний
11 50-26-753 Обойма фиксатора
11 Р150-1-031 Обойма фиксатора
12 Р150-089 Штифт 3h8х10
13 50-26-749-1 Золотник
13 Р150-1-024 Золотник
14 Т 938-40 Шарик
15 50-26-752 Втулка фиксатора
15 Р150-029-10 Втулка фиксатора
16 700-38-2885 Пружина фиксатора
16 Р75-В-032 Пружина фиксатора
17 50-26-754 Стакан нижний
17 Р150-033 Стакан нижний
18 700-37-2267 Пробка золотника
18 Р150-037 Пробка золотника
19 М10-6gх120.35.88.019 Болт
Крышка нижняя с деталями и золотник